|
||
全部產品分類
|
||
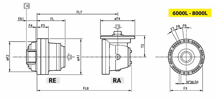
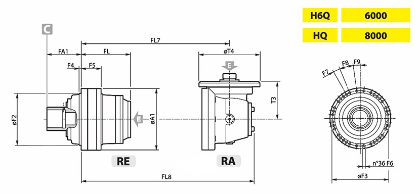
| 行星減速器 | |||
| 實際減速比: | 44.54 | 輸入轉速: | 750~2900rpm |
| 輸入功率: | 109~282kw | 輸出速度: | 16.8-65RPM |
| 輸出扭矩: | 37700-56600Nm | 最大扭矩: | 175000Nm |
| 熱功率: | 29(H-F)KW | ||

















| -供應商聯系方式- | |||||
|
|
公司名稱: | 戴納密克(上海)機械有限公司 |
|
聯系人姓名: | |
| 公司地址: | 上海市 浦東新區 康橋工業園創業路369弄22號1樓 | 聯系人電話: | 0086 21 6818 7100 | ||
| 聯系人郵箱: | info@dinamicoil.com.cn | ||||