|
||
全部產品分類
|
||



| 生活污水處理裝置 | |||
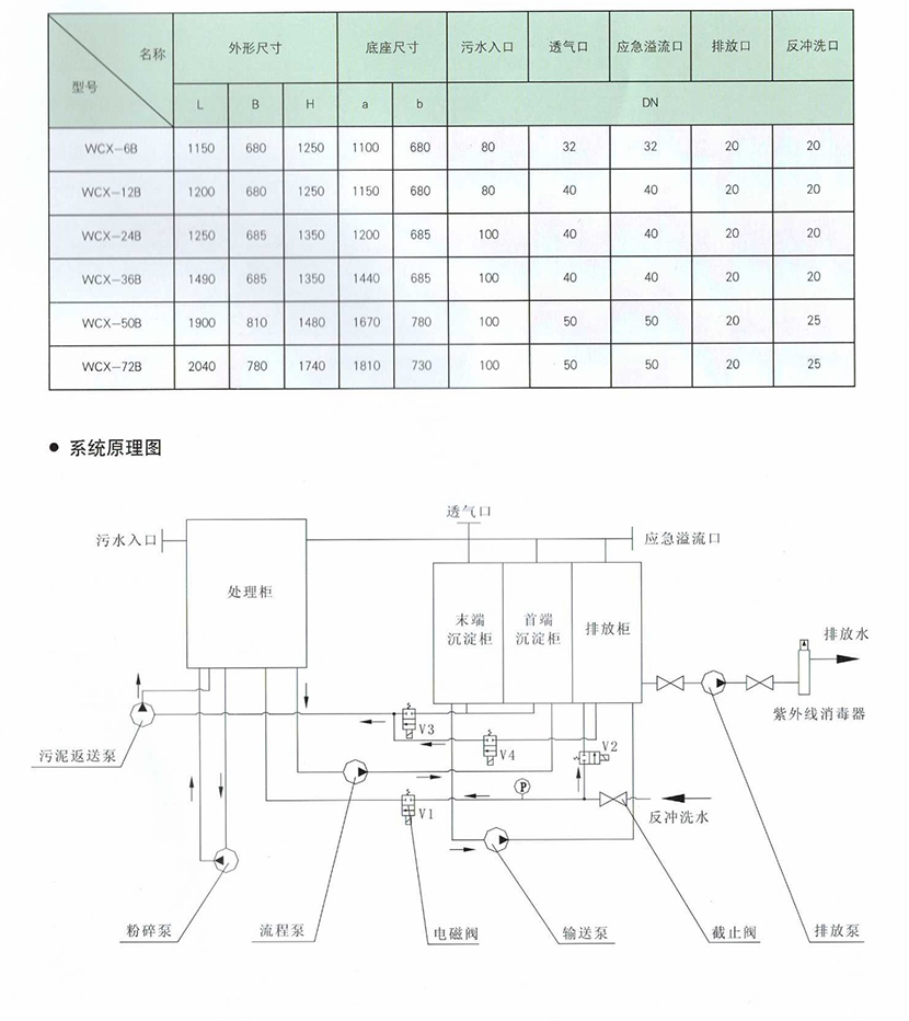
| 有機負荷: | 1.25kg/d | 適用人數: | 24 |
| 流程泵型號: | 20CQ-12 | 流程泵流量: | 3m3/h |
| 流程泵電機功率: | 0.37kW | 排放泵型號: | 20CQ-12 |
| 排放泵流量: | 3m3/h | 排放泵排放壓力: | 0.12MPa |
| 排放泵電機功率: | 0.37kW | 粉碎泵型號: | 0.5CWF-10 |
| 粉碎泵流量: | 5m3/h | 粉碎泵電機功率: | 1.1kW |
| 消毒裝置型號: | DY-UV-GL-C | 消毒裝置功率: | 0.27kW |
| 消毒裝置流量: | 1.5m3/h | 反沖洗水壓力: | 0.1~0.25MPa |
| 電源: | 3Ph AC380 50Hz 或 3Ph AC440 60Hz | 控制方式: | 自動/手動 |
| 排放指標: | 大腸桿菌群(MPN)≤100/100ml;BOD5≤25mg/L;SS≤35mg/L;PH 6~8.5 | 液力負荷: | 2.8m3/d |



| -供應商聯系方式- | |||||
|
|
公司名稱: | 江蘇友幫船用設備有限公司 |
|
聯系人姓名: | 任新智 |
| 公司地址: | 江蘇泰興市南三環西路485號 | 聯系人電話: | 18796773797 , 0523-87660185 | ||
| 聯系人郵箱: | jsyb@js-youbang.com | ||||